L250-P32SL-CB02M12B12-SCA
Interverrouillage de sécurité
| Série | L250 |
| Fonctions | Dispositif de verrouillage avec interverrouillage selon EN ISO 14119 (type 4) |
| Mode d'activation des sorties de sécurité | Sorties de sécurité actives avec porte de protection fermée |
| Principe de fonctionnement | Principe du courant de repos - Organe de commande verrouillé avec électroaimant désactivé |
| SIL | 3, CEI 61508 |
| SILCL | 3, CEI/EN 62061 |
| Niveau de performance (PL) | Jusqu'à e incl., EN ISO 13849-1 |
| MTTFd | 2.254 années, EN ISO 13849-1 |
| PFHD | 1,23E-09 par heure |
| Durée d'utilisation | 20 années, EN ISO 13849-1 |
| Catégorie | 4, EN ISO 13849 |
| CC | High |
| Niveau de codage | Faible, EN ISO 14119 |
| Type de câblage | Commutation unique Montage en série |
| Sécurisation externe pour circuit d'alimentation | 2A type Gg (ou équivalent) |
| Tension d'alimentation UN | 24 V, CC, -10 ... 10 % |
| Consommation, max. | 1.200 mA |
| Nombre d'entrées de commutation de sécurité | 2 pièce(s) |
| Nombre d'entrées de commutation numériques | 3 pièce(s) |
| Type | Entrée de commutation numérique |
| Tension de commutation type | 24 V |
| Type de tension | CC |
| Consommation type | 5 mA |
| Entrée d'apprentissage pour organe de commande | Non |
| Fonction | Entrée d'activation électroaimant IE1 |
| Fonction | Entrée d'activation électroaimant IE2 |
| Fonction | Entrée de commande RAZ I3 |
| Type | Entrée de commutation de sécurité |
| Type de tension | CC |
| Tension de commutation type | 24 V |
| Consommation type | 5 mA |
| Nombre de sorties de commutation de sécurité (OSSD) | 2 pièce(s) |
| Nombre de sorties de commutation numériques | 2 pièce(s) |
| Type | Sortie de commutation de sécurité OSSD |
| Type de tension | CC |
| Organe de commutation | Transistor, PNP |
| Organe de commutation | Transistor, PNP |
| Type | Sortie de commutation numérique |
| Tension de commutation type | 24 V |
| Type de tension | CC |
| Organe de commutation | Transistor, PNP |
| Fonction | Sortie de signalisation O3, dispositif de protection fermé |
| Organe de commutation | Transistor, PNP |
| Fonction | Sortie de signalisation O4, dispositif de protection verrouillé |
| Nombre de connexions | 1 pièce(s) |
| Fonction | Alimentation en tension Connexion de contact Liaison avec API |
| Type de connexion | Câble à connecteur rond |
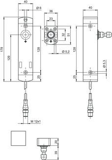
| Longueur de câble | 200 mm |
| Couleur de câble | Noir |
| Nombre de brins | 12 brins |
| Taille du filetage | M12 |
| Type | Prise mâle |
| Matériau | Métallique |
| Nombre de pôles | 12 pôles |
| Codage | Codage A |
| Forme | Cubique |
| Dimensions (l x H x L) | 40 mm x 178 mm x 40 mm |
| Matériau du boîtier | Plastique |
| Poids net | 500 g |
| Couleur du boîtier | Gris |
| Type de fixation | Fixation traversante |
| Côté de l'entrée de câble | Par le bas |
| Type de commutateur | Dispositif de verrouillage avec interverrouillage |
| Vitesse d'approche | 0,001 ... 0,5 m/s |
| Type d'interverrouillage | Force de ressort |
| Commande d'interverrouillage | Ressort |
| Force d'interverrouillage max. | 2.100 N |
| Durée de vie mécanique | 1.000.000 jeux de commande, CEI 60947-5-1 |
| Fréquence de commande max. | 600 par heure, CEI 60947-5-1 |
| Force d'extraction, organe de commande déverrouillé | 20 N |
| Distance de commutation assurée Sao | 2 mm |
| Distance de déconnexion assurée Sar | 6 mm (organe de commande non verrouillé) 10 mm (organe de commande verrouillé) |
| Distance de commutation nominale Sn | 3 mm |
| Reproductibilité | ≤ 10 % Sn |
| Course différentielle | ≤ 20 % Sn |
| Fréquence de commutation maximale | 1 Hz |
| Type d'affichage | LED |
| Nombre de LED | 5 pièce(s) |
| Température ambiante, fonctionnement | -20 ... 50 °C |
| Température ambiante, stockage | -40 ... 75 °C |
| Indice de protection | IP 67 IP 69K |
| Homologations | ECOLAB TÜV Süd c UL US |
| Numéro de tarif douanier | 85369095 |
| ECLASS 5.1.4 | 27272603 |
| ECLASS 8.0 | 27272603 |
| ECLASS 9.0 | 27272603 |
| ECLASS 10.0 | 27272603 |
| ECLASS 11.0 | 27272603 |
| ECLASS 12.0 | 27272603 |
| ECLASS 13.0 | 27272603 |
| ECLASS 14.0 | 27272603 |
| ECLASS 15.0 | 27272603 |
| ECLASS 16.0 | 27272603 |
| ETIM 5.0 | EC002593 |
| ETIM 6.0 | EC002593 |
| ETIM 7.0 | EC002593 |
| ETIM 8.0 | EC002593 |
| ETIM 9.0 | EC002593 |
| ETIM 10.0 | EC002593 |
| UNSPSC 26.08 | 39122205 |