ISS 212MM.2/LX-4E0-S12
Sensore induttivo
| Serie | 212 |
| Portata limite tipica Sn | 4 mm |
| Portata di esercizio Sa | 0 ... 3,24 mm |
| MTTF | 3.963 anni |
| Tensione di alimentazione UB | 10 ... 36 V, CC |
| Ripple residuo | 0 ... 10 %, di UB |
| Corrente a vuoto | 0 ... 20 mA |
| Deriva termica, max. (in % di Sr) | 10 %, Nell'intero campo di temperature di esercizio |
| Precisione di ripetizione, max. (in % di Sr) | 5 %, ≤ |
| Isteresi di commutazione | 20 %, Programmabile tramite IO-Link: Standard o potenziato |
| Numero uscite di commutazione digitali | 1 pezzo(i) |
| Tipo di tensione | CC |
| Corrente di commutazione, max. | 200 mA |
| Corrente residua, max. | 0,1 mA |
| Caduta di tensione | ≤ 2,5 V a 200 mA |
| Elemento di commutazione | Transistor, PNP |
| Principio di commutazione | Contatto N.A. |
| Frequenza di commutazione | 1.300 Hz |
| Tipo | IO-Link |
| COM-Mode | COM2 |
| Profilo | Common Profile |
| Min. cycle time | COM2 = 10,4 ms |
| Specifica | V1.1 |
| Numero di collegamenti | 1 pezzo(i) |
| Funzione | Alimentazione di tensione Segnale OUT |
| Tipo di collegamento | Connettore circolare |
| Coppia di serraggio per ogni sezione di filettatura | 10 Nm (costante, senza variazioni sulla distanza) |
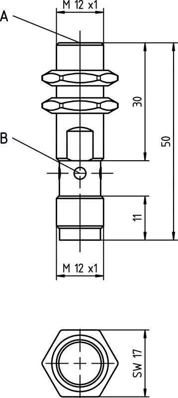
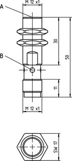
| Grandezza della filettatura | M12 |
| Tipo | male |
| Materiale | Metallo |
| Numero di poli | 4 poli |
| Codifica | Codifica A |
| Forma costruttiva | Cilindrica |
| Dimensioni (Ø x L) | 12 mm x 50 mm |
| Grandezza della filettatura | M12 x 1 mm |
| Tipo di montaggio | A filo |
| Materiale dell'alloggiamento | Metallo |
| Alloggiamento in metallo | Ottone nichelato |
| Materiale della superficie attiva | Plastica, Poliestere |
| Peso netto | 29,5 g |
| Colore dell'alloggiamento | Argento Grigio |
| Tipo di fissaggio | Filettatura di fissaggio |
| Piastra di misura a norma | 18 x 18 mm², Fe360 |
| Tipo di visualizzazione | LED |
| Numero di LED | 4 pezzo(i) |
| Temperatura ambiente, funzionamento | -40 ... 70 °C |
| Temperatura ambiente, stoccaggio | -40 ... 80 °C |
| Grado di protezione | IP 67 |
| Classe di protezione | II |
| Omologazioni | c UL US |
| Procedimento di controllo CEM secondo la norma | IEC 61000-4-2 IEC 61000-4-3 IEC 61000-4-4 |
| Norme di riferimento | IEC 60947-5-2 |
| Alluminio | 0,5 |
| Acciaio inox | 0,8 |
| Rame | 0,3 |
| Ottone | 0,5 |
| Acciaio Fe360 | 1 |
| Voce tariffaria doganale | 85365019 |
| ECLASS 5.1.4 | 27270101 |
| ECLASS 8.0 | 27270101 |
| ECLASS 9.0 | 27270101 |
| ECLASS 10.0 | 27270101 |
| ECLASS 11.0 | 27270101 |
| ECLASS 12.0 | 27274001 |
| ECLASS 13.0 | 27274001 |
| ECLASS 14.0 | 27274001 |
| ECLASS 15.0 | 27274001 |
| ECLASS 16.0 | 27274001 |
| ETIM 5.0 | EC002714 |
| ETIM 6.0 | EC002714 |
| ETIM 7.0 | EC002714 |
| ETIM 8.0 | EC002714 |
| ETIM 9.0 | EC002714 |
| ETIM 10.0 | EC002714 |
| UNSPSC 26.08 | 39122230 |